fischer Gipsplaatplug DuoBlade DIY
Omschrijving
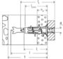
De fischer DuoBlade is het jongste lid van de innovatieve DuoLine. Hij bestaat uit verschillende onderdelen, die samen de best mogelijke prestaties in gipsplaat mogelijk maken. De zelf borende punt zorgt voor een eenvoudige en snelle montage. De plug wordt in de gipsplaat geschroefd met een (accu) schroefmachine waarbij de plug vlak tegen het oppervlak van de gipsplaat wordt gemonteerd. De fischer DuoBlade is geschikt voor spaanplaatschroeven van 4 tot 5 mm dikte en voor verschillende haken en oogschroeven. Daardoor is hij universeel geschikt voor een veilige en snelle bevestiging van bijv. rookmelders, gordijnroedes en rolluiken.
Lees meer...Beschikbaarheid:: Dit product is tijdelijk niet op voorraad.
Artikelnummer: 6010106
EAN: 4048962323726
Gekozen artikelnummer: Product specificaties
| Attribuut naam | Attribuut waarde |
|---|
| aandrijving (maat) | PZD2 |
| aandrijving | Pozidriv |
| kleur (basis) | grijs |
| verpakt per | 40 |
| toepassing (gebied) | holle wanden |
| toepassing (materiaal) | plaatmateriaal (gipsplaat) |
| diameter (boorgat) | 8 |
| lengte (plug) | 44 |
| verpakking | doos |
| boordiepte (minimaal) | 50 |
| uitvoering | zonder schroef |
| inschroefdiepte (minimaal) | 28 |